Serramenti

Home | Azienda | Contatto | Come raggiungerci | News | Certificazione

 

 

- (Serramenti ad Isolamento Termico)

I serramenti scorrevoli SLIDE 65 THERMIC rappresentano, tra la gamma di serramenti scorrevoli proposti da ATLL, la più aggiornata risposta alle esigenze di isolamento termico contemporaneamente alla necessità di ottimizzazione degli spazi senza trascurare i fattori di estetica e funzionalità.

I nostri serramenti a Taglio Termico, infatti, sono ottenuti grazie all’ausilio delle migliori tecnologie e dei migliori materiali oggi disponibili sul mercato e sono caratterizzati da alte prestazioni di tenuta e durabilità nel tempo.

Questa tipologia di serramenti è realizzata con listelli in poliammide rinforzato con aggiunta di fibre di vetro che vengono inserite meccanicamente negli apposti alloggi ricavati nell’infisso. 

Questa caratteristica comporta un ottimo isolamento del serramento dal caldo e dal freddo da cui un notevole risparmio energetico.

I serramenti SLIDE 65 THERMIC sono perfettamente adattabili a qualsiasi tipo di situazione architettonica in cui si richiedano particolari prerogative di ampiezza e dimensione.

UTILIZZO

Le caratteristiche tecnico-funzionali delle linea SLIDE 65 THERMIC consente una agevole abbinamento con altri serramenti in modo da poter realizzare sistemi compositi con specchiature laterali, sopraluci, sottoluci.

La linea di serramenti SLIDE 65 THERMIC consente realizzazione di finestre o porte balcone a due, tre, quattro ante scorrevoli, porte balcone o finestre a tre o sei ante scorrevoli su tre binari.

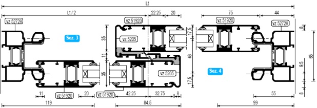
SCHEDA TECNICA SERRAMENTO

Profilati di alluminio estrusi: lega 6060 (uni 9006/ (88/09)

Stato di fornitura: T5

Tolleranze dimensionali e spessori: UNI 3879 (57-02)

Tipo di tenuta aria-acqua: Mediante guarnizioni a spazzola

Applicazione vetro: con vetro ad infilare

Spessore vetro: variabile da 4 a 24 mm.

CARATTERISTICHE DIMENSIONALI:

Profondità telaio: 65 mm.

Profondità anta: 35 mm.

Larghezza nodo centrale: 75 mm.

Capacità carrelli: 180 Kg per anta

DATI PRESTAZIONALI:

Permeabilità all’aria A3

Tenuta all’acqua E2

Resistenza al vento V2

SEZIONI

 

 

© Copyright ATLL s.r.l. | Toscana | Produzione e Vendita Serramenti scorrevoli in Alluminio

E' vietata la riproduzione totale o parziale del materiale contenuto all'interno del sito
.:: www.atll.it ::.